W programie CADprofi znajdują się typowe oznaczenia wykorzystywane przy tworzeniu dokumentacji branży mechanicznej. Oznaczenia te są zgodne z krajowymi i międzynarodowymi normami.
Oznaczenia są elementami wielowariantowymi, w których w szybki i łatwy sposób można dostosować wygląd lub potrzebną informację. W ten sposób jeden symbol wielowariantowy może w bibliotece zastąpić wiele symboli „tradycyjnych”, dając przy tym znacznie większe możliwości konfigurowania wyglądu i typu. Oznaczenia wielowariantowe mogą być dowolnie modyfikowane za pomocą polecenia Edycja symboli.
Wszystkie oznaczenia można znaleźć w poleceniu Symbole i oznaczenia. Symbole te są także dostępne w kilku dodatkowych poleceniach, dzięki czemu uzyskuje się szybszy dostęp do oznaczeń lub symboli potrzebnych w danym momencie.
Polecenia służące do oznaczania rysunków technicznych:
•Widoki spoin
•Chropowatość powierzchni
•Tolerancje
•Oznaczenie krawędzi
•Metody rzutowania
•Punkty pomiarowe
•Przekroje
•Linie przerwania
•Części złączne
•Otwory
•i inne.

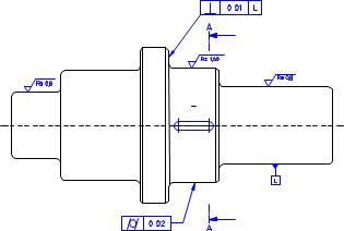
Przykład rysunku z różnymi oznaczeniami

Okno dialogowe „Symbole i oznaczenia”
Okno dialogowe polecenia Symbole i oznaczenia zawiera:
Menu narzędzi:
Zdefiniuj
nowy – umożliwia dodanie nowego elementu do bazy danych.
Sposób rozszerzania bazy został opisany w rozdziale Definiowanie bloków użytkownika.
Edytuj –
Edycja parametrów bloków
użytkownika
Dodaj do
ulubionych – kopiuje symbol do kategorii *Ulubione*.
Usuń – kasuje
wskazany symbol z kategorii *Ulubione*.
|
Menu podręczne – menu opcji dla wskazanego elementu dostępne po kliknięciu prawym przyciskiem myszy. Polecenia zawarte w menu są analogiczne do poleceń z paska narzędzi. |
|
Drzewo kategorii – zbiór wszystkich kategorii i symboli zawartych w bibliotece, przedstawionych w układzie rozwijanego drzewa. Istnieje możliwość dostosowania kolejności wyświetlania symboli na liście za pomocą opcji:
•Sortuj – ułożenie kategorii i jej zawartości w kolejności alfabetycznej.
•Normy – włącza/wyłącza wyświetlanie symboli według norm.
Widok miniatur – wyświetla zawartość aktualnie wskazanej kategorii w postaci miniatur.
Kąt/Obrót – możliwość określenia stałego kąta wstawienia symboli lub włączenie opcji obrót, przy której kąt symbolu jest określany przez obracanie podczas wstawiania.
Skala – określa wielkość wstawianych symboli. Istnieje możliwość wpisania współczynnika skali lub wskazania na rysunku symbolu, którego skalę chcemy wykorzystać.
Lustro X, Y – opcje służące do wstawiania odbicia lustrzanego względem osi X, Y dla niektórych elementów.
Linia odnośnikowa –
włącza/wyłącza użycie linii odnośnikowej dla oznaczenia. Klikając
w przycisk
symbolizujący
aktualnie ustawiony grot strzałki odnośnika, możesz dokonać zmiany ustawień
dotyczących linii odnośnikowej:

•Grot – symbol umieszczany w punkcie początkowym odnośnika, np. strzałka.
•Rozmiar grota – określa skalę dla grota odnośnika.
•Wstaw pojedynczy segment – rysowanie odnośnika jedno– lub wielosegmentowego.
Wstaw wielokrotnie – włącza/wyłącza możliwość wielokrotnego wstawiania symbolu do rysunku. Proces wstawiania wymaga zakończenia przez użytkownika za pomocą klawisza Enter lub Esc.
Wielkość tekstu – wartość określająca wysokość tekstu oznaczenia oraz skali całego bloku.
Podgląd symbolu – aktywny obszar zawierający podgląd oraz parametry danego oznaczenia. Poszczególne kontrolki zawarte w obrębie tego obszaru dają możliwość dostosowania zawartości symbolu wielowariantowego.

Przykłady kontrolek dla symboli wielowariantowych
1.
Pole kodów symboli specjalnych – kontrolka ta daje
możliwość wyświetlenia kodu danego symbolu w celu skopiowania
i wklejenia go w dowolne inne pole tekstowe. Lista symboli dostępna
jest po kliknięciu przycisku
.

2.
Pole tekstowe – daje możliwość wprowadzenia
dowolnego tekstu wielowierszowego. Pole to może być wypełnione informacjami
wybranymi z dodatkowego okna otwieranego przyciskiem Przeglądaj
.
3.
Lista rozwijalna – daje możliwość wpisania własnej
wartości lub wyboru z listy dostępnej pod przyciskiem
. Dostępne są także listy pozwalające wybrać
tylko jedną z wartości (bez możliwości edycji).
4. Graficzna lista rozwijalna – daje możliwość wyboru jednego z dostępnych oznaczeń graficznych.
5. Pole edycyjne – daje możliwość wpisania dowolnego tekstu.
6. Przycisk symbolu uzupełniającego – każdorazowe kliknięcie powoduje wyświetlenie kolejnego dostępnego symbolu dla danego pola.
Dla niektórych symboli wielowariantowych mogą być także dostępne inne kontrolki, np. przyciski służące do mierzenia wymiarów lub kątów w rysunku, pola włączania/wyłączania opcji i inne.
6 Procedury
1.
Uruchom polecenie Oznaczenia połączeń
.
2. W oknie dialogowym w kategorii Oznaczenia połączeń wybierz żądany symbol.
3.
Kliknij w pole symbolu uzupełniającego tak, aby uzyskać symbol Spoina
montażowa
.
4. Określ grubość spoiny (np. a5) lub wybierz wartość z rozwijalnej listy.
5.
Kliknij w ikonę symbolu spoiny i z otwartego okna dialogowego
wybierz symbol spoiny pachwinowej
.
6. Podaj długość spoiny wpisując np. 2 x 10 (10).
7.
Kliknij przycisk przeglądaj
i
w oknie dialogowym wybierz proces wykonania spoiny, np. 111 Ręczne spawanie łukowe.
8. Włącz opcję Linia odnośnikowa.
9. Kliknij przycisk OK, aby wstawić wybrany symbol do rysunku.
10. Określ punkt będący początkiem linii odnośnika (P1).
11. Określ punkt wstawienia symbolu (P2) oraz ewentualny kąt obrotu.

Ustawienia w oknie dialogowym
