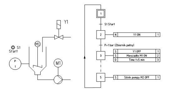
Schematy procesów technologicznych  

Program CADprofi pozwala na tworzenie schematów funkcyjnych, diagramów oraz schematów procesów technologicznych, np. zgodnych z EN 60848.
Patrz opis polecenia Diagramy, schematy blokowe.

 

 Tworzenie diagramów