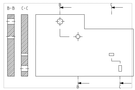
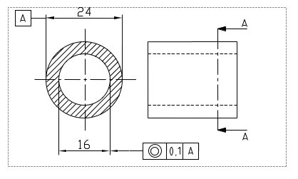
Przekroje  

Polecenie Przekroje  zawiera oznaczenia zgodne z normą ISO 128.

Funkcjonalność i szczegółowy sposób obsługi polecenia zostały opisane w rozdziale
Symbole i oznaczenia.

 

Poniżej są przedstawione przykłady użycia polecenia: