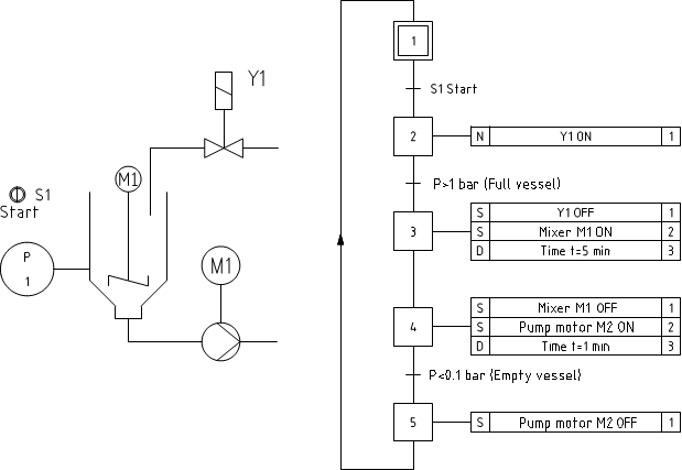
Technologische Prozessschemen  

CADprofi ermöglicht Funktionsabläufe, Schemen und technologische Prozeßschemen z.B. entsprechend der Norm EN 60848 zu erstellen. Befehlsbeschreibung Organigramme und Blockschemen).

 

 Organigramme erstellen