Polecenie Usuń symbole stosowane jest w celu usuwania symboli i armatury. W przypadku usuwania elementów wstawionych w przewody program automatycznie łączy te przewody.
Podczas usuwania ponumerowanych symboli usuwane są także numery.
Przy usuwaniu można wskazać wiele elementów rysunkowych, lecz program usunie tylko te symbole i obiekty, które były wstawiane za pomocą poleceń CADprofi.
6 Procedury
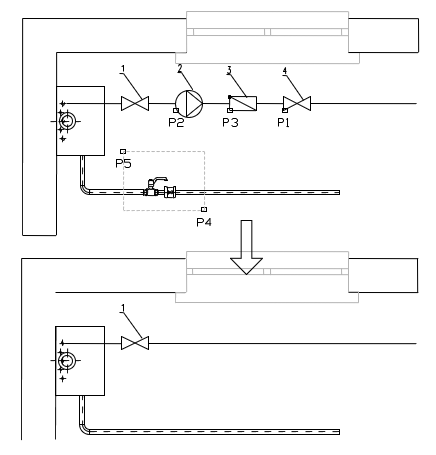
1.
Uruchom polecenie Usuń symbole
.
2. Wskaż symbol, który ma zostać usunięty z rysunku lub przewodu (P1).
3. (Opcjonalnie) Wybierz opcję Wiele w celu wskazania wielu obiektów (P4–P5). Zatwierdź wybór przyciskiem Enter.
4. Wskaż następne elementy (P2, P3) lub zakończ polecenie klawiszem Enter lub Esc.

6 Procedury
1.
Wybierz polecenie Usuń symbole
.
2. Kliknij pierwszy element (P1). Zostanie on usunięty, a w jego miejsce zostanie wydłużony przewód.
3. (Opcjonalnie) Kliknij w kolejne elementy (P2, P3).
4. Zakończ polecenie prawym przyciskiem myszy lub Enter.
