Der Befehl Kanalzüge - allgemeine Darstellung ermöglicht die Erstellung von Kanälen und Schutzrohren mit automatischem Einfügen von Bögen, dessen Parameter durch den Nutzer definiert werden (oder ohne Bögen). Dieser Befehl verfügt über die Option die Anzeige des Dialogfensters abzuschalten, um dem Nutzer den sofortigen Start des Zeichnens der Leitungszüge mit den letzten Einstellungen zu ermöglichen.

Dialogfenster Kanalzüge - allgemeine Darstellung
Die grafische Gestaltung und grundlegenden Funktionen des Dialogfensters sind ähnlich denen des Befehls Kabelkanäle - allgemeine Darstellung). Weitere Optionen dieses Befehls:
Bogen - Parameter – eine Gruppe von Optionen zur Angabe von Parametern für 2D-Bögen.
•Radius – ermöglicht dem Nutzer, den Radius anzugeben oder ihn anhand des Breitenfaktors des Kanals zu berechnen.
•Breitenfaktor verwenden – aktiviert/deaktiviert die Möglichkeit, den Radius mit einem Faktor der Breite zu bestimmen.
•Form – ermöglicht dem Nutzer die Wahl der Bogenform für den Leitungszug.
•max. Winkel: 90° – aktiviert/deaktiviert die Möglichkeit den Winkel des Leitungsbogens auf max. 90° zu beschränken.
Maß E/Maß F – Angabe der
Maße E und F (im Vorschaubild zu sehen). Mit dem Schalter
kann das Maß durch zeigen von zwei
Objekten in der Zeichnung bestimmt werden.
|
Anmerkung Ist die Option „Dialogbox mit Einstellungen immer anzeigen” abgeschaltet, muss der Anwender um sie wieder einzuschalten, die Einstellungen (Abkürzung „E” in der Befehlszeile) bei der Befehlsausführung aufrufen. |
Basiskante – rechte oder linke Kante. Die Kante wird entsprechen der Zeichnungsrichtung angegeben.
Entlang einer „Infolinie“ zeichnen – diese Option ermöglicht ein schnelles Zeichnen eines Rohrzuges entlang einer Polylinie oder einer Reihe von Linien.
6 Vorgehensweise
1.
Start des Befehls Kanalzüge - allgemeine Darstellung
.
2. (Optional) Wenn das Dialogfenster nicht erscheint, wählen Sie die Option Einstellungen (Taste E) zum Ändern dieser Einstellung.
3. Wählen Sie im Dialogfenster die gewünschte Art der Leitung.
4. Wählen Sie das System.
5. (Optional) Geben Sie Werte für Hersteller und Typ an.
6. Angabe des Leitungs-Durchmessers (oder des Querschnitts) für den Kanal oder das Schutzrohr.
7. (Optional) Aktivieren/deaktivieren der Funktionen Layer anpassen, Durchmesser anpassen, und An Objekt anschließen.
8. Klicken Sie auf den Schalter OK zum Start des Zeichnens von Kanalzügen.
CADprofi – schnelle Verbindungen
2D
Wie wird es gemacht?
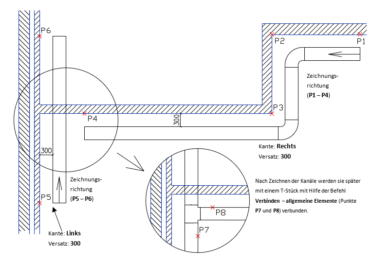
Beim Zeichnen sollte der Anwender nacheinander die entsprechenden Punkte angeben (P1, P2, P3 usw.). Wenn die Achse ohne Versatz als Basiskante dient, werden die Kanalzüge an den angegebenen Punkten eingefügt.
|
|
|
|
Schutzrohr |
Flexibles Rohr |
|
|
|
|
Rechteckiger Kanal mit Eckbauteilen |
Rechteckiger Kanal mit Bögen |
Beim Zeichnen mit Versatz wird der Kanalzug mit einem Abstand von den gezeigten Punkten gezeichnet.
Ein Beispiel für das Zeichnen von Kanälen entlang von Kanten (mit Versatz):
